Опис
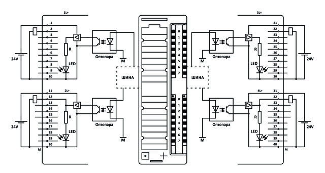
Дискретний модуль SOFTLINK 300 322-1BL00 перетворює внутрішні сигнали програмованого контролера під зовнішні сигнали керування. Модуль містить 32 канали дискретного виводу (32DOх24V DC).
- Сумісний з Simatic S7-300 Siemens і VIPA300V
- Призначений для підключення до виконавчих механізмів (клапанів, контакторів і т. д.) і пристроїв сигналізації
- Гальванічно ізольований від ПЛК
- LED-індикація напруги живлення і повідомлень про помилки
- LED-індикація стану кожного каналу
Схема підключення
