Кошик
11 відгуків
alectro.in.ua
Контакти
ТОВ "Алектро"Шлєпов Дмитро
вул. Маршала Бірюзова, 37, офіс 301, Полтава, Україна
+380 (53) 256-77-27
+380 (50) 308-55-57
+380 (67) 534-62-29
+38 050 308-555-7
Карта

Модуль 331-7KF02 (8AI 12bit)

20 070 ₴

  • В наявності
  • Код: 300 331-7KF02
Модуль 331-7KF02 (8AI 12bit)
Модуль 331-7KF02 (8AI 12bit)В наявності
20 070 ₴
+380 (53) 256-77-27
  • +380 (50) 308-55-57
  • +380 (67) 534-62-29
+380 (53) 256-77-27
  • +380 (50) 308-55-57
  • +380 (67) 534-62-29
повернення товару протягом 14 днів за домовленістю

Опис

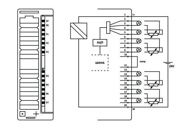
Аналоговий модуль SOFTLINK 300 331-7KF02 перетворює зовнішні аналогові сигнали в цифрові сигнали для подальшої обробки в програмованому логічному контролері. Модуль містить 8 активних каналів аналогового вводу (8AI 12bit).

  • Сумісний з Simatic S7-300 Siemens і VIPA300V
  • Призначені для підключення до датчиків з уніфікованими сигналами напруги і струму, датчиках опору, термометрам опору і термопарах
  • Гальванічно ізольований від ПЛК
  • LED-індикація стану кожного каналу

Схема підключення

Характеристики
Основні
ВиробникSoftlink
Специфікація
Інформація для замовлення
  • Ціна: 20 070 ₴