Кошик
11 відгуків
alectro.in.ua
Контакти
ТОВ "Алектро"Шлєпов Дмитро
вул. Маршала Бірюзова, 37, офіс 301, Полтава, Україна
+380 (53) 256-77-27
+380 (50) 308-55-57
+380 (67) 534-62-29
+38 050 308-555-7
Карта

Модуль 321-1BH02 (16DIх24V DC, PNP)

5 385 ₴

  • В наявності
  • Код: 300 321-1BH02
Модуль 321-1BH02 (16DIх24V DC, PNP)
Модуль 321-1BH02 (16DIх24V DC, PNP)В наявності
5 385 ₴
+380 (53) 256-77-27
  • +380 (50) 308-55-57
  • +380 (67) 534-62-29
+380 (53) 256-77-27
  • +380 (50) 308-55-57
  • +380 (67) 534-62-29
повернення товару протягом 14 днів за домовленістю

Опис

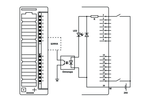
Дискретний модуль SOFTLINK 300 321-1BH02 перетворює зовнішні двійкові сигнали у внутрішні сигнали програмованого контролера. Модуль містить 16 каналів дискретного введення (16DIх24V DC, PNP).

  • Сумісний з Simatic S7-300 Siemens і VIPA300V
  • Призначений для роботи з перемикачами і різними датчиками (ємнісними, індуктивними, фотодатчиками)
  • Гальванічно ізольований від ПЛК
  • LED-індикація для кожного каналу

Схема підключення

Характеристики
Основні атрибути
ВиробникSoftlink
Країна виробникКитай
Специфікація
Інформація для замовлення
  • Ціна: 5 385 ₴